
O fenômeno dos campos magnéticos decorrentes de correntes elétricas através de uma bobina é um princípio fundamental da eletromagnetismo.Este processo desafia inerentemente a corrente original com uma força oposta, uma propriedade definida como indutância elétrica.Dentro dos circuitos elétricos, a indutância encapsula a resistência de uma bobina à corrente alternada (CA) devido ao armazenamento de energia em seu campo magnético.Quando a corrente alternada flui através de uma bobina, ela encontra uma forma de resistência conhecida como reatância indutiva, que flutua dinamicamente com base em duas variáveis interligadas: a indutância da bobina (L) e a frequência operacional da corrente alternada (f).
À medida que a frequência aumenta, a reatância indutiva aumenta proporcionalmente, ilustrando uma relação direta entre as características indutivas da bobina e o comportamento oscilatório do circuito.
Esta inter-relação é expressa matematicamente pela equação:
XL = 2πfL = ωL
Aqui:
• XL representa a reatância indutiva em ohms.Esta equação suporta o controle preciso do comportamento do circuito.A seleção e configuração adequadas de indutores ajudam a atingir as metas de desempenho sob diferentes condições operacionais.
A reatância indutiva explica como um indutor se comporta quando uma corrente alternada flui através dele.Mostra como a bobina resiste às mudanças na corrente, o que afeta diretamente a forma como os sinais se movem através de um circuito.Este comportamento desempenha um papel no armazenamento de energia dentro dos campos magnéticos e também influencia a forma como os sinais enfraquecem ou mudam à medida que passam pelos componentes.
O valor da reatância indutiva depende da frequência e da indutância, conforme mostrado na equação XL = 2πfL.Em baixas frequências, a reatância é pequena, então a corrente pode passar mais facilmente pelo indutor.Em altas frequências, a reatância aumenta, o que limita o fluxo de corrente e afeta o sinal.
Esta propriedade é útil em muitos projetos de circuitos.Em sistemas de comunicação, os indutores ajudam a filtrar os sinais, permitindo a passagem de certas frequências enquanto bloqueiam outras.Isso torna a reatância indutiva importante em aplicações como circuitos de rádio, antenas e processamento de sinais, onde é necessário controlar o comportamento da frequência.
A indutância é amplamente utilizada em ambientes reais sistemas elétricos, especialmente em aplicações relacionadas a energia e sinal.É usado em dispositivos como transformadores, sistemas de controle de motorese conversores de energia, onde são necessários transferência e controle estáveis de energia.Ao ajustar o design da bobina e os valores de indutância, os sistemas podem operar com mais eficiência e manter um desempenho consistente.
Nos transformadores, a indutância é cuidadosamente projetada para melhorar a transferência de energia e reduzir perdas.Em sistemas de energia renovável, como inversores solares e turbinas eólicas, os indutores ajudam a suavizar as mudanças na produção de energia causadas por condições variadas.Isso ajuda a manter um fornecimento elétrico estável e confiável.
A reatância indutiva refere-se à resistência que um indutor apresenta às mudanças de corrente dentro de um circuito elétrico.O conceito está enraizado na geração de força eletromotriz auto-induzida (EMF), que neutraliza as flutuações da corrente.Esta oposição depende diretamente do valor da autoindutância L da bobina e da frequência f da corrente alternada (CA).Tanto a indutância mais alta quanto o aumento da frequência contribuem para uma resistência mais forte, aumentando em última análise a reatância indutiva.Os indutores são usados em circuitos CA, acomodam correntes em baixas frequências, incluindo corrente contínua (CC), mas impedem o fluxo de sinais de alta frequência.
A relação entre tensão e corrente em circuitos puramente indutivos é elegantemente expressa pela equação u = L (di/dt).Esta fórmula conecta a tensão alternada u, o EMF auto-induzido εeu, e a taxa na qual a corrente i muda ao longo do tempo.
• Na operação CA, as correntes senoidais causam alterações periódicas na EMF auto-induzida dentro do indutor.
• Quando a corrente atinge seu valor de pico, sua taxa de variação torna-se momentaneamente zero e a tensão no indutor cai para zero.
• Por outro lado, quando a corrente passa de zero, a taxa de variação atinge o pico, resultando em tensão máxima no indutor.
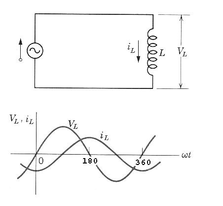
Esta interação entre tensão e corrente resulta em uma mudança de fase única, a tensão está adiantada em 90 graus em relação à corrente.A diferença de fase é usada no projeto de sistemas CA para controlar como os indutores interagem com a corrente alternada.
A reatância indutiva Xeu pode ser calculado usando Xeu = 2π f L, uma função da frequência f e autoindutância L. Para sistemas DC f = 0, Xeu = 0, indicando que os indutores permitem que a CC flua livremente enquanto dificultam os sinais CA, especialmente em frequências mais altas.Esta característica é essencial em aplicações como filtros eletrônicos, onde os indutores isolam as frequências alvo e suprimem interferências indesejáveis.

Os sistemas indutivos apresentam uma capacidade fascinante de gestão de energia.Ao contrário dos resistores, que dissipam energia irreversivelmente na forma de calor, os indutores armazenam energia dentro de seus campos magnéticos.Esta energia oscila ciclicamente entre o indutor e sua fonte de energia externa, criando uma troca dinâmica de energia sem perda permanente.
• Durante a fase de corrente máxima, o campo magnético no indutor é maximizado, armazenando energia do circuito.
• À medida que a corrente diminui, a energia armazenada é liberada de volta ao circuito, preservando o padrão oscilatório.
Este comportamento cíclico ilustra o papel do indutor como reservatório de energia eletromagnética.Em aplicações como transformadores e dispositivos de armazenamento indutivo, esse armazenamento de energia é aproveitado para alcançar eficiência operacional, com perdas resistivas mínimas.Esses recursos enfatizam a importância de manter um equilíbrio entre indutância e dissipação de energia para otimizar o desempenho do circuito.
A característica de liderança de fase dos indutores impacta o projeto de engenharia elétrica de maneiras significativas.Considere sistemas de transmissão de energia, onde a mudança de fase indutiva pode influenciar o fator de potência do sistema.Estratégias de compensação, como a incorporação de capacitores, são frequentemente empregadas para equilibrar a potência reativa e estabilizar o sistema.
Os indutores também desempenham papéis essenciais em osciladores eletrônicos, onde a sua capacidade de armazenar e liberar energia através dos ciclos permite a criação de sinais oscilatórios sustentados.Esses sinais são importantes para gerar frequências estáveis em sistemas de comunicação e controle.
Além disso, a natureza seletiva de frequência dos indutores os torna indispensáveis em circuitos e filtros sintonizados.
Por exemplo:
• O bloqueio de alta frequência é aplicado em circuitos de radiofrequência (RF), para separar e gerenciar sinais através de canais de comunicação, reduzindo a interferência.
• O isolamento seletivo de frequência aumenta a confiabilidade do sistema e garante canais de comunicação claros.
Os indutores são adicionados aos circuitos para melhorar o controle e a eficiência em todas as aplicações, desde produtos eletrônicos de consumo até sistemas de energia avançados.A versatilidade dos indutores continua a garantir a sua relevância nas inovações modernas da engenharia elétrica.
Para compreender de forma abrangente a derivação da fórmula da reatância indutiva em transformadores, esta seção detalha as equações fundamentais e insights práticos.Além disso, enfatiza considerações de design, desempenho e otimização em sistemas eletromagnéticos.
A fórmula fundamental para reatância indutiva é expressa como:
Xeu = 2πf·L
Isso expressa como a reatância indutiva Xeu é influenciado pela frequência f da corrente alternada e pela indutância L. Em aplicações de transformadores, a impedância de carga primária Zprimário é influenciado da seguinte forma:
Rcarga_primária =Zprimário =Rbobina + Xeu
Normalmente, a resistência do enrolamento primário Rbobina é relativamente pequeno, permitindo que a impedância da carga primária seja principalmente indutiva para a maioria dos casos de uso prático.
Projeto da bobina do transformador:
(1) Minimizar as perdas resistivas é um objetivo comum de projeto para uma melhor eficiência energética.Menos resistência significa redução da perda de energia através da dissipação de calor, conforme calculado por I2Rbobina.
(2) Em frequências elevadas, fenômenos como o efeito pelicular e o efeito de proximidade aumentam a resistência efetiva.Estes devem ser cuidadosamente considerados, especialmente em aplicações que exigem precisão.O emprego de geometria de fio otimizada e materiais condutores pode ajudar a neutralizar esses efeitos.
Começando com a fórmula da reatância indutiva:
eu = Rcarga_primária /2πf
a indutância L pode ser isolada e determinada quando a resistência da carga primária Rcarga_primária e a frequência operacional f são conhecidas.
Para estimar praticamente Rcarga_primária, o seguinte relacionamento é útil:
Rcarga_primária =Vprimário / euestático
Os principais parâmetros incluem:
•Vprimário: tensão primária.
• euestático: corrente sem carga, que normalmente constitui cerca de 5% da corrente primária de carga total.
Exemplo de cálculo
Dado um transformador com as seguintes características:
• Relação de tensão: 1:1,2.
• Corrente secundária de plena carga Icarga secundária_completa = 200 mA.
• Corrente primária de plena carga Icarga primária_completa = 240 mA.
A corrente sem carga pode ser aproximada como:
euestático ≈ 0,05 · Icarga primária_completa ≈ 10 mA.
Se vocêprimário = 5V:
Rcarga_primária = 5 / 0,01 = 500Ω.
Usando Rcarga_primária = 500 Ω ef = 500 kHz:
L = 500 / (2π · 500.000) ≈ 159 μH.
Esta indutância calculada de 159 μH define características operacionais importantes, como eficiência de transferência de energia e alinhamento de impedância, melhorando o desempenho do transformador.
A frequência desempenha um papel fundamental na determinação do comportamento indutivo em sistemas de transformadores.À medida que a frequência aumenta, a reatância indutiva também aumenta, o que pode restringir o fluxo de corrente e afetar a relação de fase entre tensão e corrente.Em sistemas de alta frequência, a reatância excessiva pode levar à redução da corrente ou à distorção do sinal.Em frequências mais baixas, a indutância deve ser aumentada para manter desempenho e eficiência semelhantes, tornando a frequência um fator importante no projeto indutivo.
A composição do material do núcleo afeta diretamente a indutância e a reatância.Materiais com alta permeabilidade magnética, como ferrita ou aço silício, permitem o manuseio eficiente do fluxo magnético e melhoram o desempenho geral.No entanto, o fluxo magnético excessivo pode levar à saturação do núcleo, o que distorce as formas de onda da corrente e reduz a eficiência.A seleção e o design adequados do material ajudam a evitar esses problemas e a manter uma operação estável.
As mudanças de temperatura também influenciam o desempenho indutivo, afetando a resistência do material do enrolamento.À medida que a temperatura aumenta, a resistência aumenta, o que pode afetar a sensibilidade de Rprimary_load e alterar o comportamento da reatância indutiva.Para resolver isso, os projetos geralmente incluem métodos de resfriamento ou usam materiais que mantêm um desempenho estável sob condições variáveis de temperatura.
O cálculo preciso da reatância indutiva permite que os transformadores sejam ajustados para frequências operacionais específicas.Uma compreensão clara de como a resistência, a indutância e a frequência interagem apoia o projeto de sistemas que funcionam de forma eficiente em diferentes aplicações, incluindo sistemas de comunicação de alta frequência e redes de energia de baixa frequência.
A reatância adequadamente otimizada também ajuda a identificar possíveis falhas, como curtos-circuitos ou enrolamentos abertos.Isto melhora a confiabilidade do sistema e oferece suporte a uma operação mais segura, permitindo a detecção precoce de condições anormais.
Os princípios da reatância indutiva se aplicam a uma ampla gama de sistemas elétricos e eletrônicos além dos transformadores.Nos sistemas de controle de motores, a reatância é gerenciada para manter um desempenho estável sob condições variáveis de carga.Nos conversores de energia, conceitos semelhantes são usados para apoiar a transferência eficiente de energia e a operação estável do circuito.
A reatância indutiva é um conceito chave para a compreensão de como os indutores se comportam em circuitos CA.Ele controla o fluxo de corrente, afeta a mudança de fase, armazena energia em campos magnéticos e ajuda a gerenciar sinais em diferentes frequências.Cálculo e projeto adequados são necessários para reduzir perdas, melhorar o desempenho do transformador, estabilizar sistemas de energia e filtrar sinais indesejados.Embora fatores como frequência, material do núcleo, temperatura e resistência do enrolamento possam afetar o desempenho, componentes indutivos bem projetados continuam essenciais em sistemas elétricos e eletrônicos.
XC e XL são tipos de reatância em circuitos CA.XL refere-se à reatância indutiva, que vem dos indutores, enquanto XC se refere à reatância capacitiva, que vem dos capacitores.Ambos dependem da frequência.XL aumenta à medida que a frequência aumenta, enquanto XC diminui à medida que a frequência aumenta.Na ressonância, seus valores tornam-se iguais, o que ajuda a equilibrar o circuito.
A indutância é uma propriedade de um condutor que lhe permite produzir uma tensão quando a corrente através dele muda.Isso acontece por causa do campo magnético ao redor do condutor.A reatância indutiva é a resistência às mudanças na corrente causadas por este efeito.Uma indutância mais alta significa uma oposição mais forte às mudanças atuais.
A reatância indutiva é a oposição que um indutor dá à corrente alternada.Funciona como resistência, mas só aparece em circuitos CA.É representado por XL e medido em ohms.O valor depende da indutância e da frequência do sinal.
A reatância é encontrada comparando a reatância indutiva e capacitiva.A reatância total é a diferença entre XL e XC.A reatância indutiva aumenta com a frequência, enquanto a reatância capacitiva diminui com a frequência.Essa relação ajuda a determinar como um circuito responde a diferentes sinais.
Num circuito LCR, XL representa a reatância indutiva do indutor.Mostra o quanto o indutor resiste a mudanças na corrente em uma determinada frequência.Na ressonância, XL torna-se igual a XC e o circuito opera eficientemente com reatância balanceada.
29/07/2024
28/08/2024
06/10/2024
04/07/2024
22/04/2024
28/12/2023
15/07/2024
15/11/2024
10/07/2024
20/09/2025









